MECO GAS PANEL - flovtek

İçeriğe git

Ana menü:

MECO GAS PANEL

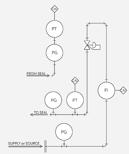
MECO GP 301L (sol giriş) veya MECO GP 301R (sağ giriş) basınçlı gaz paneli, yüksek basınç koşulları veya yüksek akış kapasitesi gibi değişken gaz beslemesi olan durumlara uygun hassas düşük basınç regülatörü kullanır. Ünite uzaktan algılayıcılar vasıtasıyla basınç düşüşünü en aza indirir, akış hızlarını ölçer ve 30 cm (1ft) x 60 cm (2ft) paslanmaz çelik panel üzerinde düzenlenmiştir ve kolay montaj için paslanmaz U-cıvataları içerir.
GAS PANEL KATALOĞU
 
 
İçeriğe dön | Ana menüye dön